产品原理:
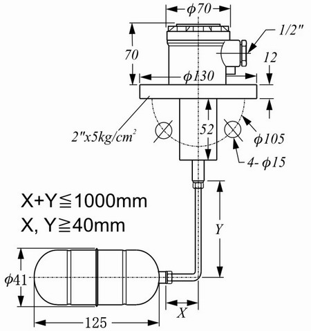
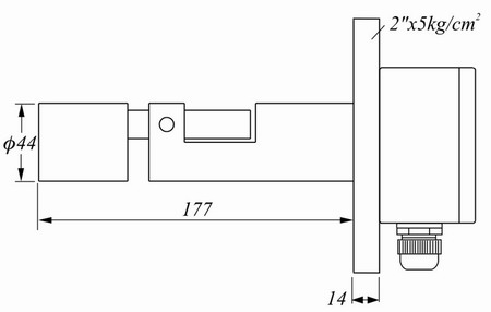
侧装式浮球开关是利用液体浮力原理,当浮球因浮力作用而上下运动时,接线盒内的磁簧开关(或微动开关)受到臂端磁铁影响,而作"NC"接点与"NO"接点之互换。浮球有 φ40, φ44,φ50, φ75四种规格浮球,塑料材质有 PP、PVDF,可用于酸碱场所,SUS 304/316L材质适用于高温或高压桶槽,侧装、上装皆可安装,接线盒防护等级为 IP-65,接续法兰有 JIS, DIN及 ANSI等规格;牙口有 1-1/2, 2"PT, BSP或客户指定规格,耐压最高可达 50kg/cm2,耐温最高可达350℃,适用比重为 0.25~0.65g/cm3 。
型号:
SF-10,10T,20,20T,21,30,41T,50,60,80,81

接点容量:5A/250VAC
工作温度:-30~100℃
接点形式:SPDT
接液材质:SUS304
适用比重:0.65
连接尺寸:可定制

接点容量:5A/250VAC
工作温度:-30~200℃
接点形式:SPDT
接液材质:SUS304
适用比重:0.65

接点容量:5A/250VAC
工作温度:-30~100℃
接点形式:SPDT
接液材质:SUS304
适用比重:0.65

接点容量:5A/250VAC
工作温度:-30~200℃
接点形式:SPDT
接液材质:SUS304
适用比重:0.65

接点容量:5A/250VAC
工作温度:-30~200℃
接点形式:SPDT
接液材质:SUS304
适用比重:0.65

接点容量:5A/250VAC
工作温度:-30~100℃
接点形式:SPDT
接液材质:SUS304
适用比重:0.65

接点容量:5A/250VAC
工作温度:-30~350℃
接点形式:SPDT
接液材质:SUS304
适用比重:0.65

接点容量:5A/250VAC
工作温度:-30~100℃
接点形式:SPDT
接液材质:SUS304
适用比重:0.65

接点容量:5A/250VAC
工作温度:-30~100℃
接点形式:SPDT
接液材质:SUS304
适用比重:0.65
可定制高温型

接点容量:5A/250VAC
工作温度:-30~100℃
接点形式:SPDT
接液材质:PP(聚丙烯)
适用比重:0.7
螺纹可定制

接点容量:5A/250VAC
工作温度:-30~100℃
接点形式:SPDT
接液材质:PP(聚丙烯)
适用比重:0.7
法兰可定制
